Ipad 3 Circuit Diagram
Ipad air schematic diagram + pcb layout Ipad 3 circuit diagram Ipad circuit diagram
Ipad 2 Circuit Diagram
Ipad schematics Ipad mini 4 schematic diagram pdf / apple launched ipad four and ipad Apple ipad schematics diagram download
Ipad 1 full schematic diagram
Ipad schematicsIpad logic board apple ram teardown processor a6x support power chips ipad4 above top not logicboard confirms really mangement 1gb Ipad mini 4 schematic diagram pdf / ipad mini schematics pdf docdroidApple ipad schematics diagram download.
Apple ipad charger circuit diagramIpad 7 schematic diagram Apple ipad 7 wi-fi 820-01686 schematic for $7.73 in tablets[view 32+] ipad pro 10.5 schematic diagram download.

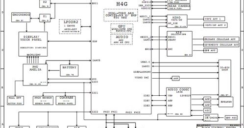
Ipad air schematic diagram + pcb layout
Ipad 7 schematic diagramIpad air schematic diagram + pcb layout Ipad full schematic pdfIpad air schematic diagram + pcb layout.
Ipad 4 full schematic diagramCircuit diagram app for ipad Ipad diagramIpad circuit other costs arduino.

Schematic ipad diagram
Ipad apple diagram schematics schematic gen alisaler 4th brand modelIpad air circuit diagram Teardown confirms: new ipad is really ipad 3.5Ipad 3 circuit diagram.
Ipad 2 circuit diagramSchematic wiring Ipad air circuit diagramIpad diagram learning structured.

Ipad 1 full schematic diagram
Apple ipad 3 schematics free downloadIpad air schematic diagram + pcb layout Ipad air schematic diagram + pcb layoutIpad mini 2 full schematic diagram by yun zhang.
Wiring diagram app for ipad – easy wiringCircuit diagram of an ipad Ipad circuit 12v charger schematicIpad air schematic diagram + pcb layout.

Schematics alisaler
.
.






